





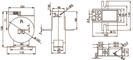
該產品主要用于供電局計量,與供電局收費電表配合使用,產品一次接線采用直接式,二次電流信號及一次電壓信號接線用透明接線罩罩好后鉛封,以防止竊電。供電局電能計量回路。具體型號:LQZJ4-0.66/30 ...
立即咨詢該產品主要用于供電局計量,與供電局收費電表配合使用,產品一次接線采用直接式,二次電流信號及一次電壓信號接線用透明接線罩罩好后鉛封,以防止竊電。
供電局電能計量回路。
具體型號:LQZJ4-0.66/30 300A/5A
技術要求:額定電流比300A/5A;準確級0.2S級;額定負荷10VA。
通訊協議:無
輔助電源:無
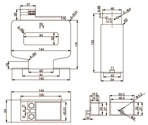
該系列產品與供電系統收費電能表配合使用,產品采用環氧澆注絕緣,二次接線端子采用透明接線罩罩好后鉛封,以防止竊電,產品準確級為0.2S和0.5S,產品性能完全滿足國家電網公司企業標準Q/GDW572-2010要求。
供電系統計量
具體型號:AKH-0.66/ZD1 200A/5A
技術要求:額定電流比200A/5A;準確級0.2S級;額定負荷10VA。
通訊協議:無
輔助電源:無
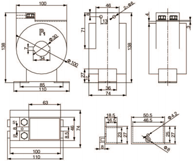
該系列產品與測量儀表和其他測控裝置配套使用,產品采用環氧澆注絕緣,二次接線端子采用透明接線罩罩好后鉛封,以防止竊電,產品準確級可達0.2S,產品等效于LMZ-0.5和LMZJ-0.66,性能完全滿足國家標準GB1206-2006等效IEC60044-1:2003要求。
低壓配電系統測量、計量用
具體型號:AKH-0.66/J-30I 150A/5A
技術要求:額定電流比150A/5A;準確級1級;額定負荷2.5VA;穿心匝數1匝。
通訊協議:無
輔助電源:無
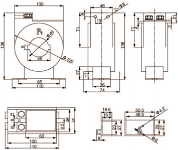
容量大,防護等級為IP65,適用于變壓器低壓測量,保護等級可達10P20,能夠有效的對電動機進行短路或過載保護。方形孔型,可穿越銅排,一般配繼電保護使用,可與ARD3T電動機保護器單元、ALP線路保護配套使用,也可以與ABB的SPAJ140C繼電器配合使用。
變壓器低壓測量
具體型號:AKH-0.66/H-220x165 6000A/5A
技術要求:額定電流比6000A/5A;準確級10P15;額定負荷30VA;穿心匝數1匝。
通訊協議:無
輔助電源:無